N6GN's 230 Kbps Radio Page


Because of the large number of questions and other support requests I receive as a result of the previous microwave link article, it is with great trepidation that I am making this information available now. Please understand that although a quantity of these radios has been fabricated this hardware is not in kit form nor am I able to support other's construction or use of it. Please do not ask. I'm making this available for informational and general use only, not as a construction article.

The following information describes some of the 230/384 kbps RF hardware currently being used in Northern California. Six of these radios are on 904.5 MHz but two of the remaining five nearly-completed radios are on 1250 MHz. The 1250 MHz PAs make almost 30 watts, saturated, compared to about 12 watts from the 904 MHz radios.

This design is now more than six years old and was never intended to be a kit. Furthermore, assembly and testing of  >10 watt hardware near 1 GHz is not something in which I anticipate being able to remotely instruct others. My current direction in the problem of faster wide area amateur networking is L3TNC . Even this will probably never be "kittable" but at least I hope it may be inexpensive and stands a chance of being something that can be made generally available for amateur use.

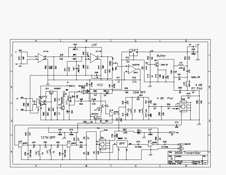
Schematics

These are older versions which used different IF frequencies but differences are fairly minor and should not impact understanding of the design.

For a somewhat dated description of the radios and their application see the CNC #10 "status" Paper

Photos

Here is a photo of Mainboard side of the radio and here is picture of the Radio with original MIO digital Interface card mentioned in the above paper. In fact these two photos were in the original paper but I didn't have them in electronic form until recently.

Details

Also see Local Map for current usage in Northern California with Ottawa PI2 cards which are what limit the datarate to only 230 kbps. The radios themselves have worked fine at 384 Kbps using MIO as the controller as described in CNC #10.

Back to Top Page .